Directory
Brands
Pilz manuals
Software
PMCtendo DD5.03/000/0/0/0/110-230VAC
Manual

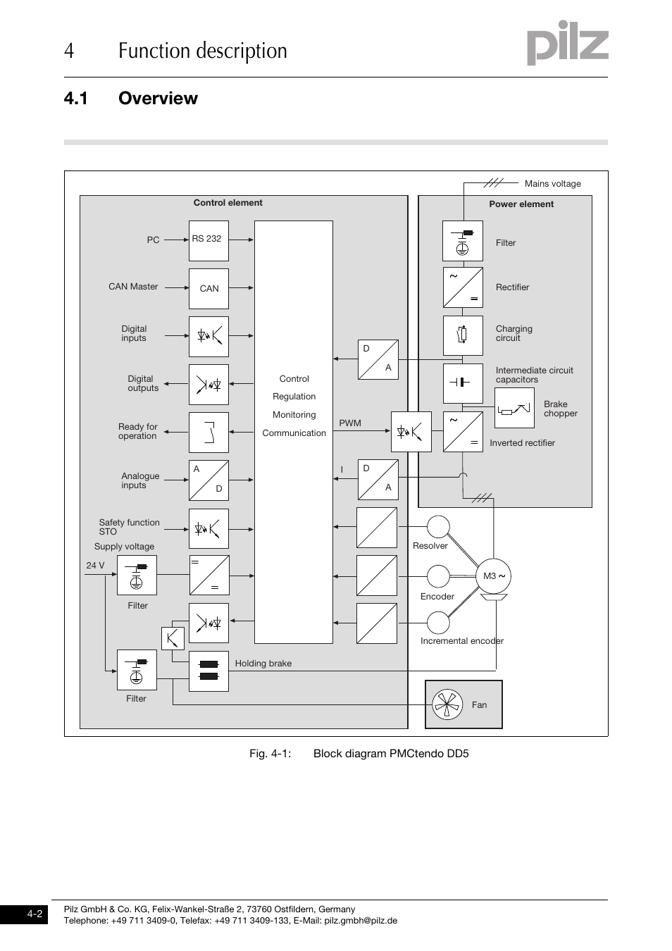
4function description, 1 overview – Pilz PMCtendo DD5.03/000/0/0/0/110-230VAC User Manual

Page 30

  • Text mode
  • Original mode
4function description, 1 overview | Pilz PMCtendo DD5.03/000/0/0/0/110-230VAC User Manual | Page 30 / 209 4function description, 1 overview | Pilz PMCtendo DD5.03/000/0/0/0/110-230VAC User Manual | Page 30 / 209
Pages: 1 … 28 29 30 31 32 … 209
  • wrong Brand
  • wrong Model
  • non readable
This manual is related to the following products:
  • PMCtendo DD5.06/112/115-230VAC PMCtendo DD5.10/000/0/0/0/110-230VAC PMCtendo DD5.01/000/0/0/0/208-480VAC PMCtendo DD5.03/000/0/0/0/208-480VAC PMCtendo DD5.06/000/0/0/0/208-480VAC
See also other documents in the category Pilz Software:
  • PMCmotion control tools (56 pages)
  • PMCprotego D.24/010/0/0/2/208-480VAC (16 pages)
  • PMCprotego D.24/010/0/P/2/208-480VAC (48 pages)
  • PMCprotego D.24/010/0/P/2/208-480VAC (56 pages)
  • PMCprotego D.24/010/0/P/2/208-480VAC (57 pages)
  • PMCprotego D.CAN-Adapter 48-72A (2 pages)
  • PMCprotego D.24/010/0/P/2/208-480VAC (220 pages)
  • PMCprimo C.0/A/B/4 (73 pages)
  • PMCprotego S2 (101 pages)
  • PMCprimo DriveP.CAN-PROFI-Adapter 48-72 (4 pages)
  • PMCprotego S1-2-C (93 pages)
  • PMCprotego S2-2-C (76 pages)
  • PMCprotego D.48/000/0/0/2/208-480VAC (209 pages)
  • Brake resistor 1600W/23R/T/U (4 pages)
  • PMCtendo AC3.34/0/L/2/6/5/H/6 (88 pages)
  • PMCtendo SZ.51/0/2/2/7/K/H/60/00 (84 pages)
  • PSS Upload-/Downloadtool f. PMIvisu/open (2 pages)
  • PSS SB HYD, Update license (308 pages)
  • PSS SB HYD, Update license (112 pages)
  • PSS SB FT, Copy license (191 pages)
  • ST SB DP S, SW paket PROFIBUS-DP (43 pages)
Home Brands Popular manuals Recently added
Manuals Directory

© 2012–2025, azmanual.top
All rights reserved.