Directory
Brands
DCS manuals
Grills
BGB36-BQAR
Manual

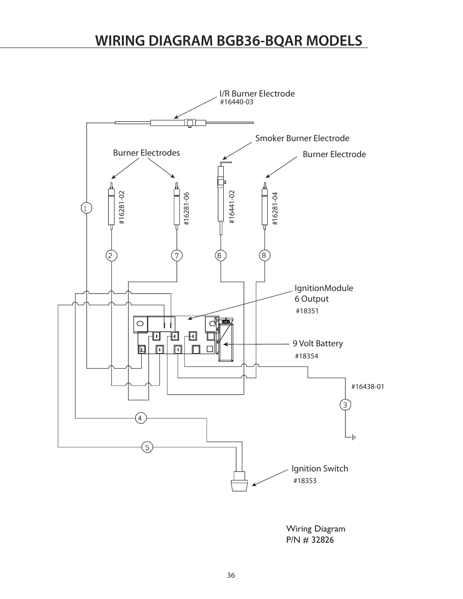
Wiring diagram bgb36-bqar models – DCS BGB36-BQAR User Manual

Page 37

  • Text mode
  • Original mode
Wiring diagram bgb36-bqar models | DCS BGB36-BQAR User Manual | Page 37 / 42 Wiring diagram bgb36-bqar models | DCS BGB36-BQAR User Manual | Page 37 / 42
Pages: 1 … 35 36 37 38 39 … 42
  • wrong Brand
  • wrong Model
  • non readable
See also other documents in the category DCS Grills:
  • BFG-30BGD (2 pages)
  • Series 7 30 Inch Built-in Gas Grill Use and Care Guide (80 pages)
  • 48" Professional Grill OGP48in (2 pages)
  • BGA26-BQ (30 pages)
  • -CGT (14 pages)
  • BQAR36 (2 pages)
  • BGB30-BQR (38 pages)
  • 30" Professional Grill OGP30iN (2 pages)
  • Series 7 30 Inch Built-in Gas Grill Service & Warranty (24 pages)
  • Series 9 Evolution 48 Inch Built-In Grill Owners Guide (96 pages)
  • Series 7 36 Inch Built-In Gas Grill Service and Warranty (24 pages)
  • 42 Inch Built-in Outdoor Dry Pantry Installation Instructions (40 pages)
Home Brands Popular manuals Recently added
Manuals Directory

© 2012–2025, azmanual.top
All rights reserved.