Directory
Brands
Craftsman manuals
Carwash
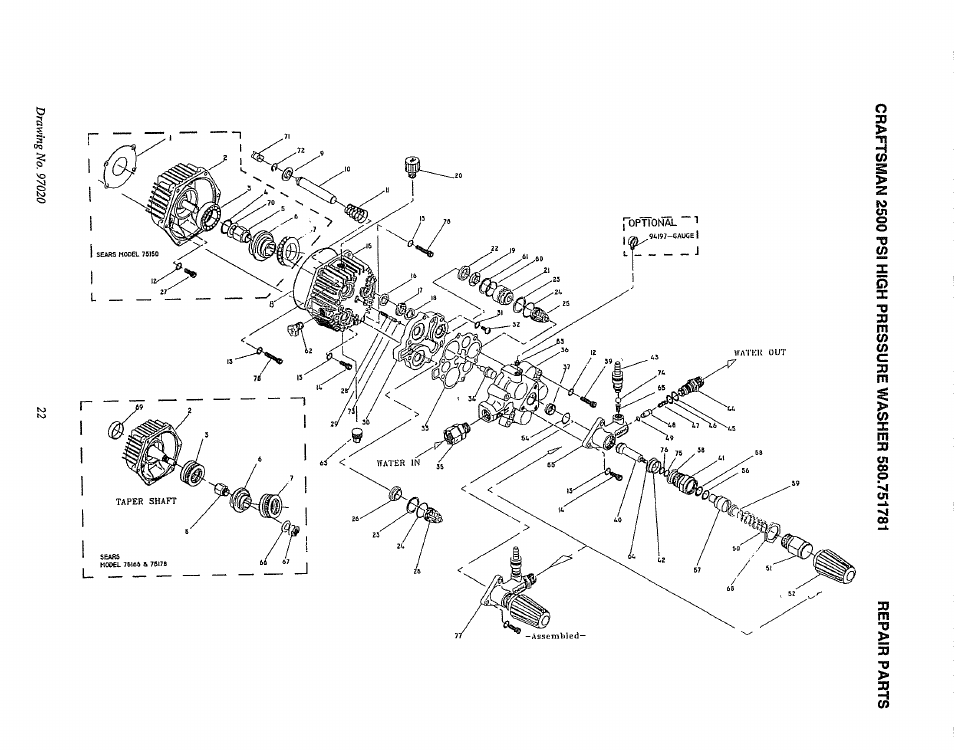
580.751781
Manual

Craftsman 580.751781 User Manual

Page 22

  • Text mode
  • Original mode
Craftsman 580.751781 User Manual | Page 22 / 28 Craftsman 580.751781 User Manual | Page 22 / 28
Pages: 1 … 20 21 22 23 24 … 28
  • wrong Brand
  • wrong Model
  • non readable
See also other documents in the category Craftsman Carwash:
  • 919.769062 (40 pages)
  • 919.769060 (44 pages)
  • 580.767451 (48 pages)
  • 919.763500 (30 pages)
  • 919.769020 (30 pages)
  • 919.762500 (56 pages)
  • 580.768020 (26 pages)
  • MGP-769010 (52 pages)
  • 919.679240 (30 pages)
  • 919.670280 (28 pages)
  • 919.679180 (33 pages)
  • 580.751651 (29 pages)
  • 919.762000 (14 pages)
  • 919.763010 (56 pages)
  • 919.678250 (64 pages)
Home Brands Popular manuals Recently added
Manuals Directory

© 2012–2025, azmanual.top
All rights reserved.