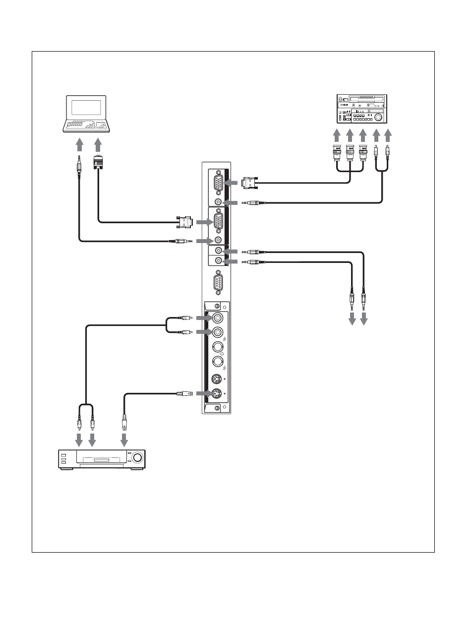
Ejemplo de conexión, Conexiones – Sony FWD-50PX1 User Manual
Page 211
See also other documents in the category Sony Monitors:
- CPD-200SF (27 pages)
- CPD-100SF (30 pages)
- CPD-E240 (24 pages)
- PFM-510A2WU (244 pages)
- DDM-2810CSU (14 pages)
- CPD-G410R (24 pages)
- CPD-20SF2 (48 pages)
- GDM-F420 (52 pages)
- GDM-F520 (52 pages)
- HMD-A220 (88 pages)
- BVM-D32E1WA (82 pages)
- BVM-D24E1WU (5 pages)
- GDM-500PST (104 pages)
- XBRITE SDM-HS74P (2 pages)
- CPD-E430 (52 pages)
- GDM-500PST9 (104 pages)
- GDM-17SE2T5 (63 pages)
- X82/B (2 pages)
- CPD-520GS (55 pages)
- GDM-F500R (148 pages)
- CPD-300SF (33 pages)
- CPD-120VS (32 pages)
- CPD-200GS (57 pages)
- CPD-100GS (57 pages)
- GDM-90W01T (91 pages)
- CPD-G220S (19 pages)
- GDM-20OPS (63 pages)
- BVM-D SERIES BVM-D14H1E (5 pages)
- GDM-F500T9 (84 pages)
- DDM-2802CU (28 pages)
- CPD-E200 (48 pages)
- CPD-G400P (148 pages)
- CPD-E530 (52 pages)
- CPD-G420S (64 pages)
- CPD-17F03 (33 pages)
- CPD-100GST (92 pages)
- CPD-210GS (18 pages)
- CPD-100SFT (44 pages)
- GDM-17SE2T (40 pages)
- CPD-E100 (62 pages)
- GDM-200PST9 (104 pages)
- CPD-100GS (22 pages)
- CPD-E400P (132 pages)
- CPD-E100E (88 pages)
- CPD-G520P (64 pages)
