Search
Directory
Brands
AAON manuals
Conditioners
CN-140
Manual
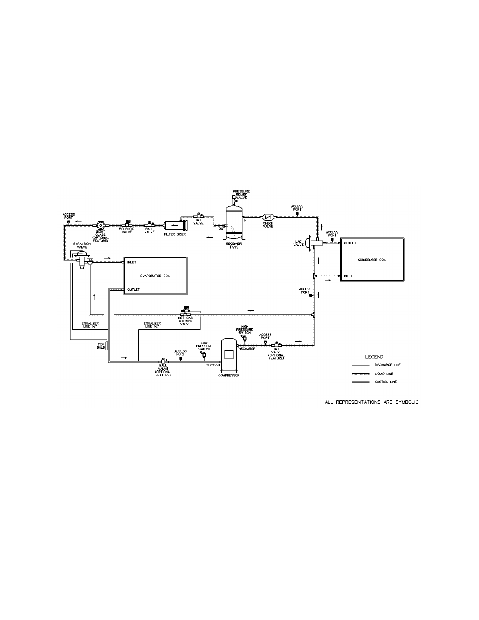
Lac valve – AAON CN-140 User Manual
Page 23
Text mode
Original mode
Lac valve | AAON CN-140 User Manual | Page 23 / 52
Pages:
1
…
21
22
23
24
25
…
52
wrong Brand
wrong Model
non readable
This manual is related to the following products:
CN-130
CN-120
CN-105
CN-090
CN-075
CN-065
CN-055
See also other documents in the category AAON Conditioners:
CB-024
(48 pages)
CC-002
(52 pages)
CL-045
(54 pages)
CA-02
(8 pages)