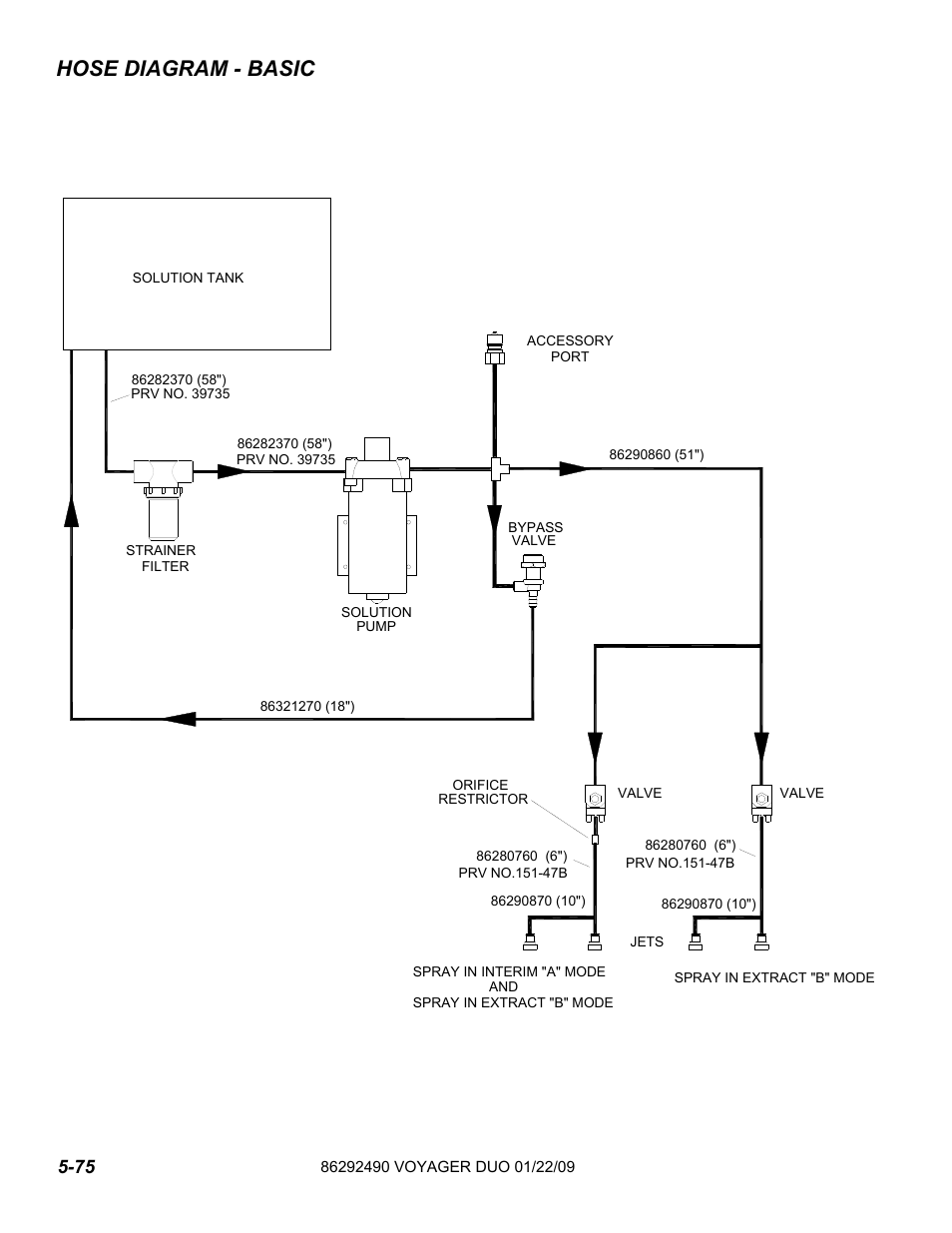
Hose diagram - basic – Windsor VOYDU1 User Manual
Page 122
This manual is related to the following products:
See also other documents in the category Windsor Vacuums:
- Saber Compact 22 SP (72 pages)
- DOMINATOR D250 (19 pages)
- 10120270 (18 pages)
- Walk Behind Scrubber SCC264 (33 pages)
- Saber Glide 10052450 (43 pages)
- TRACER FS QTFSG (35 pages)
- 10080480 (69 pages)
- 10125070 (13 pages)
- ISCRUB CSX24 10060270 (61 pages)
- STORM SP17X (26 pages)
- Lightning Battery Burnisher L20T (13 pages)
- IM 10066360 (50 pages)
- AXCESS 12 1.012-061.0 (52 pages)
- Sensor XP 18 (18 pages)
- Compass 2 CMPS2E (62 pages)
- Saber Cutter SCX324 (33 pages)
- SPIRIT DUAL SPD (26 pages)
- Floor Polisher SPT17-10090370 (33 pages)
- CVXCD28 (68 pages)
- Walk Behind Scrubber 10052340 (32 pages)
- NW 10125330 (48 pages)
- Saber Glide 30 (53 pages)
- COMPACT PTC20 (15 pages)
- Saber Compact SC20T (29 pages)
- Ninja 621-225MO (31 pages)
- Walk Behind Scrubber 10052320 (33 pages)
- 10066230 (24 pages)
- High Speed Burnisher LB2000 (28 pages)
- STORM SPDS20 (24 pages)
- Chariot Scrubber CSX26SP (144 pages)
- D100 (20 pages)
- Clipper CLP12IA (23 pages)
- Recover 7 (25 pages)
- MINI CARPET EXTRACTOR MPRO AU 10080420 (48 pages)
- TRIDENT COMPACT TCZOE (26 pages)
- Sensor SRXP18IA (18 pages)
- NORTHWIND NWB 86284220 (12 pages)
- Flexamatic FM12 10120030 (47 pages)
- Walk Behind Scrubber SCE326 (31 pages)
- Chariot iScrub (4 pages)
- Zephyr (33 pages)
- High Speed Burnisher LB2000I (31 pages)
- Sensor 10120220 (18 pages)
- ADMIRAL PLUS ADPJ (26 pages)
