Search
Directory
Brands
LG manuals
Conditioners
LA121HPMI
Manual
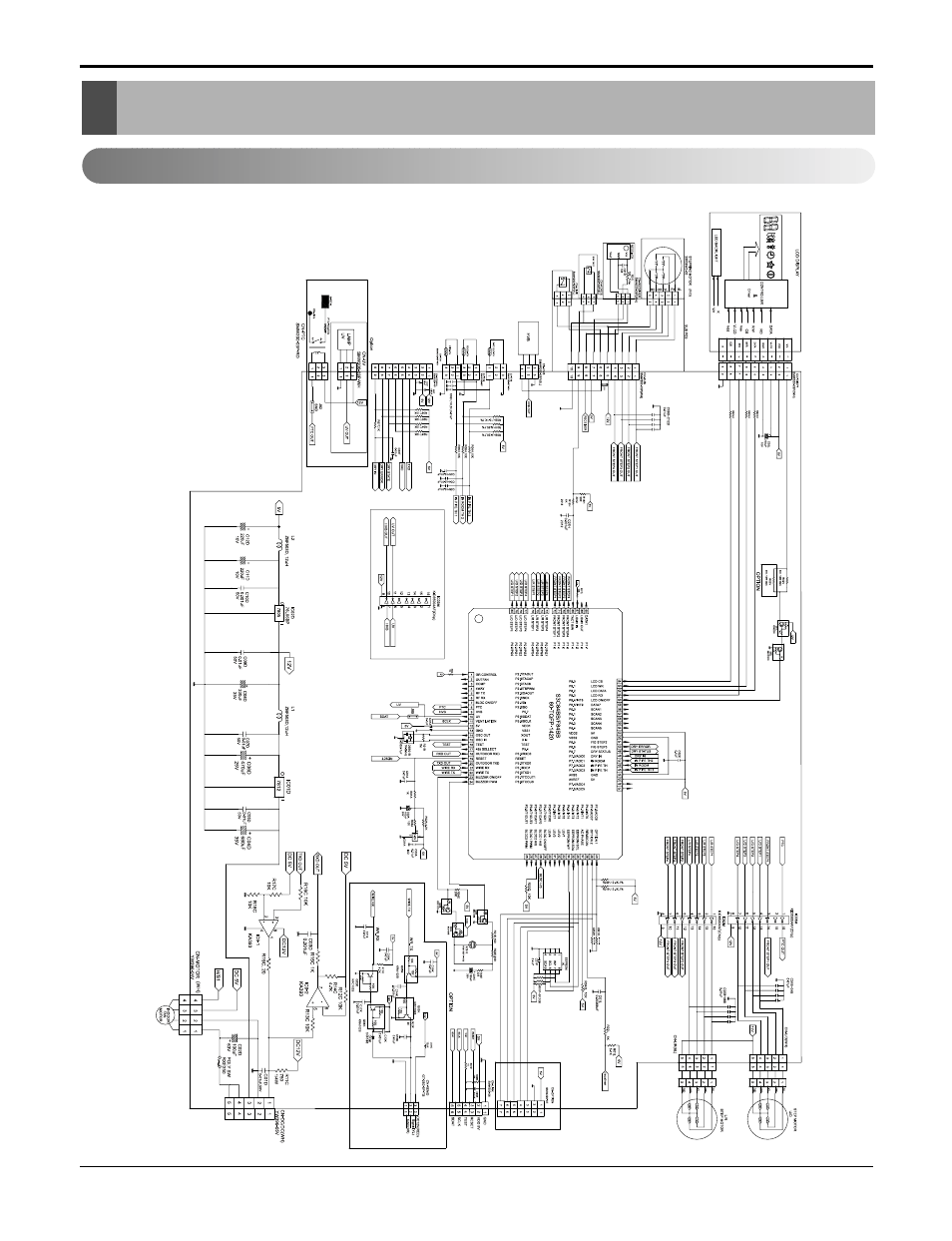
Schematic diagram, Electric control device, Indoor – LG LA121HPMI User Manual
Page 58: 58 room air conditioner schematic diagram
Text mode
Original mode
Schematic diagram, Electric control device, Indoor | 58 room air conditioner schematic diagram | LG LA121HPMI User Manual | Page 58 / 71
Pages:
1
…
56
57
58
59
60
…
71
wrong Brand
wrong Model
non readable
This manual is related to the following products:
LAN121CNM
LAU121CNM
LA121HPMO
LAN121HNM
LAU121HNM
LA121CPMI
LA121CPMO
See also other documents in the category LG Conditioners:
ARNU07GSEL1
(14 pages)
AMNH12GTRA0
(39 pages)
UT18H.NPD
(304 pages)
ARNU07GB1G1
(15 pages)
ARNU18GS3M2
(205 pages)
ARNU07GSEL2
(205 pages)
ARNU07GTEC2.ENWALEU
(205 pages)
ARNU15GBHA2
(193 pages)
ARNU24GCFU2
(205 pages)
ARNU07GSFE2
(239 pages)
ARNU09GSF11
(17 pages)
AS-W2438*H0
(9 pages)
LW1800PR
(50 pages)
Air Conditioner
(28 pages)
LT121CSG
(39 pages)
Floor Standing Type Air Conditioner
(30 pages)
LA120HPI
(76 pages)
LS090CP(AS-C0914DH0)
(80 pages)
HB1004R
(40 pages)
L1404R
(27 pages)
EN 61000-2
(29 pages)
3828A22005P
(27 pages)
Air Conditioner LW701 HR
(44 pages)
LT1230C
(23 pages)
LSN180CE
(83 pages)
LB1200ER
(28 pages)
LT1230HR
(34 pages)
LW1404ER
(27 pages)
WG2405RY6
(42 pages)
LA120CP
(76 pages)
LA090CP
(36 pages)
11,800 BTU Thru-the-Wall Air Conditioner Use & Care Guide
(48 pages)
11,800 BTU Thru-the-Wall Air Conditioner Use & Care Guide
(48 pages)
230/208V
(35 pages)
3828A30087S
(33 pages)
LP 1200DXR
(26 pages)
LT1030HR
(48 pages)
LS122CE
(31 pages)
6710 YS
(19 pages)
LP091CEM-Y8
(48 pages)
LP121HEM-Y8
(47 pages)
AMNC123APM0
(86 pages)
LM50 2004-E1
(78 pages)
LS305HV
(31 pages)