Search
Directory
Brands
LG manuals
Conditioners
LW1500PR
Manual
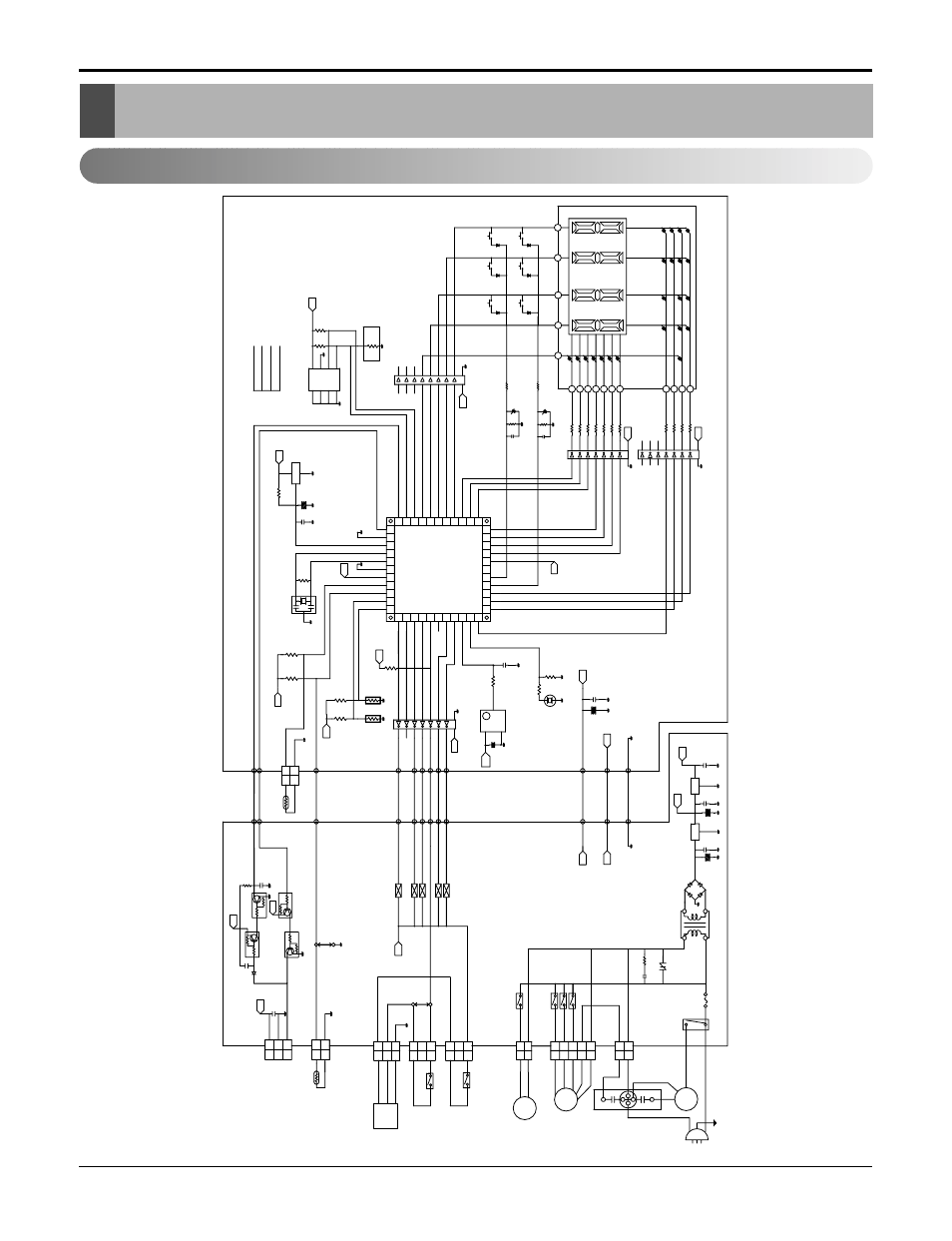
Schematic diagram – LG LW1500PR User Manual
Page 23
Text mode
Original mode
Schematic diagram | LG LW1500PR User Manual | Page 23 / 50
Pages:
1
…
21
22
23
24
25
…
50
wrong Brand
wrong Model
non readable
This manual is related to the following products:
LW1800ERZ3
HB1803R
LW1500PRY3
LW1804ER
LW1800ER
LW1800PRZ3
LWC212PLMM0
LWC182PLMM0
LWC183PLMD1
LW1800PR
See also other documents in the category LG Conditioners:
ARNU07GSEL1
(14 pages)
AMNH12GTRA0
(39 pages)
UT18H.NPD
(304 pages)
ARNU07GB1G1
(15 pages)
ARNU18GS3M2
(205 pages)
ARNU07GSEL2
(205 pages)
ARNU07GTEC2.ENWALEU
(205 pages)
ARNU15GBHA2
(193 pages)
ARNU24GCFU2
(205 pages)
ARNU07GSFE2
(239 pages)
ARNU09GSF11
(17 pages)
AS-W2438*H0
(9 pages)
Air Conditioner
(28 pages)
LT121CSG
(39 pages)
Floor Standing Type Air Conditioner
(30 pages)
LA120HPI
(76 pages)
LS090CP(AS-C0914DH0)
(80 pages)
LA121CPMO
(71 pages)
HB1004R
(40 pages)
L1404R
(27 pages)
EN 61000-2
(29 pages)
3828A22005P
(27 pages)
Air Conditioner LW701 HR
(44 pages)
LT1230C
(23 pages)
LSN180CE
(83 pages)
LB1200ER
(28 pages)
LT1230HR
(34 pages)
LW1404ER
(27 pages)
WG2405RY6
(42 pages)
LA120CP
(76 pages)
LA090CP
(36 pages)
11,800 BTU Thru-the-Wall Air Conditioner Use & Care Guide
(48 pages)
11,800 BTU Thru-the-Wall Air Conditioner Use & Care Guide
(48 pages)
230/208V
(35 pages)
3828A30087S
(33 pages)
LP 1200DXR
(26 pages)
LT1030HR
(48 pages)
LS122CE
(31 pages)
6710 YS
(19 pages)
LP091CEM-Y8
(48 pages)
LP121HEM-Y8
(47 pages)
AMNC123APM0
(86 pages)
LM50 2004-E1
(78 pages)
LS305HV
(31 pages)