Directory
Brands
Simplicity manuals
Gardening equipment
ZT2348T
Manual

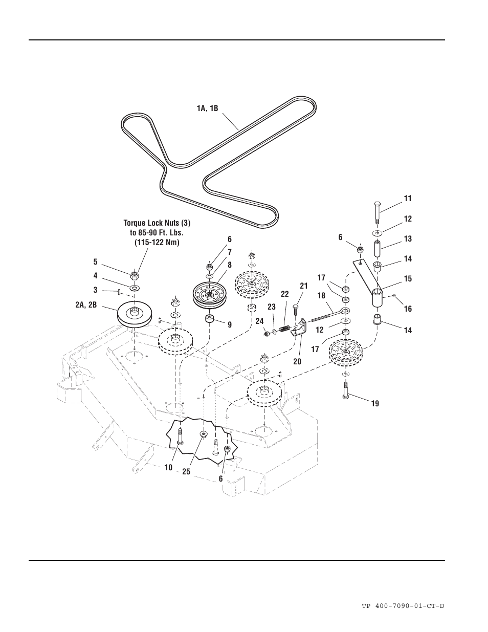
48” & 52” mower decks - belts, pulleys & idler arm – Simplicity ZT2348T User Manual

Page 68

  • Text mode
  • Original mode
48” & 52” mower decks - belts, pulleys & idler arm | Simplicity ZT2348T User Manual | Page 68 / 73 48” & 52” mower decks - belts, pulleys & idler arm | Simplicity ZT2348T User Manual | Page 68 / 73
Pages: 1 … 66 67 68 69 70 … 73
  • wrong Brand
  • wrong Model
  • non readable
This manual is related to the following products:
  • ZT2352T
See also other documents in the category Simplicity Gardening equipment:
  • 1693756 (4 pages)
  • 821RT (26 pages)
  • ZT2561F (44 pages)
  • 1692961 (32 pages)
  • TP 400-2397-00-AT-SMA (4 pages)
  • ZT2148T (42 pages)
  • 1694153 (8 pages)
  • Wonder-Boy 990086 (38 pages)
  • ZT2352K (63 pages)
  • 1694677 (2 pages)
  • ZT2761F (75 pages)
  • 1686775 (5 pages)
  • ZT2352 (41 pages)
  • 1693847 (28 pages)
  • 1694489 (12 pages)
  • 1692876 (28 pages)
  • 413RT (22 pages)
  • 13.5HP (28 pages)
  • 6HP 120492 (24 pages)
  • ZT3000 (54 pages)
  • 1693207 (28 pages)
  • 514RT (20 pages)
  • ZT4000 Series (44 pages)
  • 14HP (50 pages)
  • 6HP Series (18 pages)
  • 5516RT (19 pages)
  • ZT2354 (53 pages)
  • 1693757 (4 pages)
  • 1695064 (16 pages)
  • ZT4000 (52 pages)
  • 1693706 (6 pages)
  • 1692149 (8 pages)
  • Snapper 5521FT (20 pages)
  • 11HP (38 pages)
  • 7HP Series (24 pages)
Home Brands Popular manuals Recently added
Manuals Directory

© 2012–2025, azmanual.top
All rights reserved.