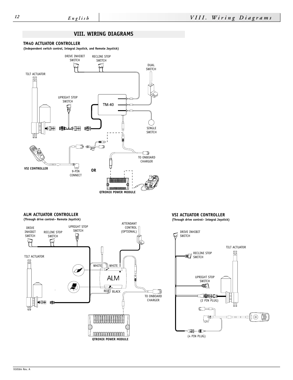
Viii. wiring diagrams – Sunrise Medical FREESTYLE M11 User Manual
Page 12
This manual is related to the following products:
See also other documents in the category Sunrise Medical Communication:
- Aspire M11 (108 pages)
- Quickie S-646 (9 pages)
- Breezy Ultra 4 (35 pages)
- Voyager Portable Ceiling Lift System 98000 (8 pages)
- Quickie GTi Titanium None (21 pages)
- One-Arm Drive Zippie 2 (7 pages)
- Series 800 (26 pages)
- SAPPHIRE 4 (39 pages)
- 4000 Series (88 pages)
- Quickie Ti Titanium (23 pages)
- Quickie M6 (21 pages)
- One-Arm Drive Quickie 2 (173 pages)
- Guardian 931150 (34 pages)
- Jay Care Back 3500 Series (10 pages)
- Jay J2 2300 SERIES (12 pages)
- SMA (27 pages)
- 2HD28RADPS (3 pages)
- Integrated C.G. Tilt P-220 (11 pages)
- Wheelchair Breezy 100 (21 pages)
- Jay J2 Back XT2505S (8 pages)
- wheelchair Z-500 (26 pages)
- K0005 (1 page)
- C001008 (1 page)
- Garnet (100 pages)
- Quickie S-646 SE (27 pages)
- Cushion J-Gel (9 pages)
- Quickie S-626 (27 pages)
- Ti Rigid C001023B (1 page)
- Sterling (56 pages)
- Quickie Wheelchair ST/DT (18 pages)
- Wheelchair Quickie 2 Lite (127 pages)
- Wheelerchair (6 pages)
- Quickie Built-4-Me C001040 (1 page)
- Trek 3 (31 pages)
- Quickie P200 (5 pages)
- ultra 4 (2 pages)
- Wheelchair Quickie P120 (23 pages)
- LX (2 pages)
- nonee (12 pages)
- Swing-Away and Fixed Front GTX (115 pages)
- Quickie P-222 (29 pages)
- Wheelchair Quickie V-121 (23 pages)
- Quickie R2 (21 pages)
- 4 (1 page)
