Search
Directory
Brands
Samson manuals
Monitors
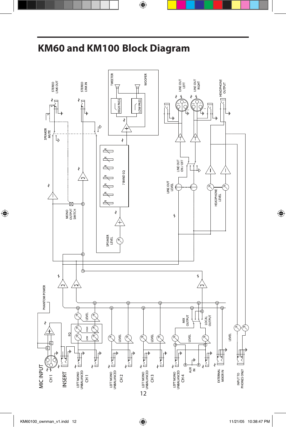
KM60
Manual
Samson KM60 User Manual
Page 14
Text mode
Original mode
Samson KM60 User Manual | Page 14 / 16
Pages:
1
…
11
12
13
14
15
16
wrong Brand
wrong Model
non readable
This manual is related to the following products:
100
See also other documents in the category Samson Monitors:
6A
(64 pages)
AURO8
(62 pages)
65
(12 pages)